Colour Sensor

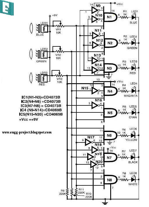
Colour sensor is an interesting project for hobbyists. The circuit can sense eight colours, i.e. blue, green and red (primary colours); magenta, yellow and cyan (secondary colours); and black and white. The circuit is based on the fundamentals of optics and digital electronics.
The object whose colour is required to be detected should be placed in front of the system. The light rays reflected from the object will fall on the three convex lenses which are fixed in front of the three LDRs. The convex lenses are used to converge light rays. This helps to increase the sensitivity of LDRs. Blue, green and red glass plates (filters) are fixed in front of LDR1, LDR2 and LDR3 respectively. When reflected light rays from the object fall on the gadget, the coloured filter glass plates determine which of the LDRs would get triggered. The circuit makes use of only ‘AND’ gates and ‘NOT’ gates. When a primary coloured light ray falls on the system, the glass plate corresponding to that primary colour will allow that specific light to pass through.

But the other two glass plates will not allow any light to pass through. Thus only one LDR will get triggered and the gate output corresponding to that LDR will become logic 1 to indicate which colour it is. Similarly, when a secondary coloured light ray falls on the system, the two primary glass plates corresponding to the mixed colour will allow that light to pass through while the remaining one will not allow any light ray to pass through it. As a result two of the LDRs get triggered and the gate output corresponding to these will become logic 1 and indicate which colour it is.
When all the LDRs get triggered or remain untriggered, you will observe white and black light indications respectively. Following points may be carefully
noted:
1. Potmeters VR1, VR2 and VR3 may be used to adjust the sensitivity of the LDRs.
2. Common ends of the LDRs should be connected to positive supply.
3. Use good quality light filters. The LDR is mounded in a tube, behind a lens, and aimed at the object.
The coloured glass filter should be fixed in front of the LDR as shown in the figure. Make three of that kind and fix them in a suitable case. Adjustments are critical and the gadget performance would depend upon its proper fabrication and use of correct filters as well as light conditions
Share on Google Plus

About Unknown

This is a short description in the author block about the author. You edit it by entering text in the "Biographical Info" field in the user admin panel.

0 comments:

Post a Comment

Thanks for your Valuable comment